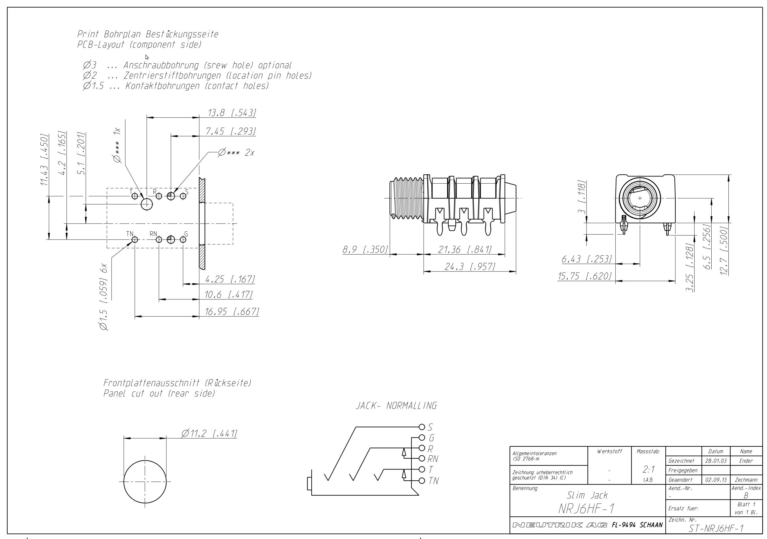
I’ll just put this here. My DBX 166A compressor had terribly corroded 1/4″ phone jacks, and I found these exact replacements with gold-plated contacts. Neutrik part number NRJ6HF-1-AU (Gold plated) or NRJ6HF (Silver plated). These jacks are used in many other DBX products.


